製品内容と分解図
本製品は、京商ミニッツレーサーの着せ替えボディとなります。走行には別途以下の製品が必要です。
- ミニッツRWD MR-04 シャシー・送信機セット 32370
- 前後タイヤ(フロント用2個 、 リヤ用2個)、あるいはミニッツ純正ゴムタイヤフロントx4・リヤx4)
- 前後ホイール(フロント用2個 、 リヤ用2個)
- 走行用電池(単4x4:アルカリ乾電池、ニッケル水素充電池)
- 送信器用電池(送信機の機種によって異なりますので、説明書をご覧ください)
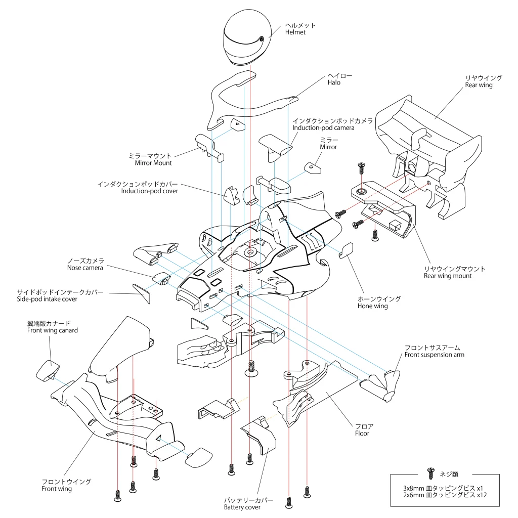
製品の内容は以下の分解図のとおりとなります。F26FDMボディは熱溶融形式の3Dプリント製です。射出成形品とは異なり、積層痕が目立ちます点と積層方向の強度が弱くなる点にご注意ください。
組み立てには各種ドライバーと接着剤が必要です。接着剤は、強固に固定したい場合はエポキシ系か、セメダインスーパーXシリーズ、瞬間接着剤等を使用します。未塗装の場合は木工用ボンドによる固定でも走行可能と確認しています。

組み立て手順
フロントウイングの組み立て
2x6mm皿タッピングビス2本で、ノーズコーンをウイングバンパーに固定し、翼端版のカナードに接着剤をつけて差し込みます。

リヤウイングの組み立て
2x6mm皿タッピングビス2本で、リヤウイングをウイングマウントに固定します。

ボディの組み立て
インダクションポッドカメラを差し込み、インダクションポッドカバーに接着剤をつけて差し込みます。
サイドポッドのインテークには、カバーを接着剤で貼り付けます。

ミラーケースにミラー部品を接着し、ボディ側のダボに少量の接着剤を塗布して差し込みます。
ノーズカメラもこのタイミングで接着すると作業しやすいです。

Haloとサスアームを接着します。

ヘルメットを3x8mm皿タッピングビスで固定します。取り付け部分には角度がついているので、ヘルメットと固定部品が水平に密着するように固定してください。

これでボディパーツは完成となります。

シャシーへのボディパーツ組み付け
完成した各ボディパーツをシャシーに取り付けます。

フロントウイングは、シャシーのボディマウント取付用ネジ穴に、2x8mm皿タッピングビスを使用して固定します。

リヤウイングマウント上部前方のツメ(❶)を、モーターケースのスリット(❷)に引っ掛けるようにはめ込みます。
ブラシレスモーターのシャシーに本製品を装着する場合は、❶のツメをカットして使用してください。

リヤウイングマウント下部のネジ穴と、モーターケースギヤカバー用の穴を揃え、2x6mm皿タッピングビスで固定します。

リヤウイングマウント上部のネジ穴に、2x6mm皿タッピングビスをねじ込みます。このネジは固定ではなく、スリットに引っ掛けて固定を助ける目的です。ねじ込み時には、リヤウイングマウント上部が持ち上がらないように注意して締め込んでください。

電池(バッテリー)収納部前方に、バッテリーカバーを被せるように置きます。

バッテリーカバー後端の飛び出した三角の部品に被せるように、純正のバッテリーホルダーを装着します。

ボディ前側のツメをノーズの内側に差し込みます。

差し込んだ前側のツメを維持しながら、ボディ裏側後端にあるボディマウントのツメをシャシーのマウントスリット(電池ケース後端のスリット)に差し込みます。
まず片側を差し込み、反対側はスライドさせるようにスリットに差し入れて固定します。ボディの割れを防止するため、開きすぎないように注意してください。
